Главная  |  Контакт  |  faq_header Помощь  |  News  | 

reg_plus Подать объявление    Автоматическое размещение объявлений
currencyВалюта
reg_bullРегистрация reg_bullВойти
trans
trans Объявления trans
Товары в магазинах Поиск автомобилей Поиск недвижимости Клуб деловых людей Тендеры Производители, Опт
trans

Оборудование для предприятий обслуживающих АЗС, нефтебазы, терми г. Москва

 0 RUB

Описание продукта

ООО «ГазСтройИнжиниринг» является официальным представителем ОАО «НЕФТЕМАШ»-САПКОН, ОАО «Первомайскхиммаш», ООО «Майдаковский завод», ООО «ЛабСнабСервис», ООО «Метакон», ООО «ЗДТ «Реком», ООО «НПФ «Озоновые технологии», ООО «Промприбор» и осуществляет комплексные поставки следующего оборудования:
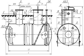
-стальные резервуары и емкости от 1 до 50 000 куб.м.: вертикальные, горизонтальные, подземные, надземные, типовые, а так же: по индивидуальным проектам и чертежам;
-оборудование к стальным резервуарам и емкостям: клапаны дыхательные (КДС, КДМ и т.д.), огнепреградители (ОПН, ОПКД и т.д.), приемо-раздаточные устройства (ПРУ), патрубки (ППР, ПМ, ПЗЛ и т.д.), люки-лазы (ЛЗ), люки замерные (ЛЗ), световые и т.д., генераторы пены (ГПСС), пробоотборники, муфты разъема (МСР, МБР), водоспуски с плавающей крышей (ВПК и т.д.);
-оборудование для нефтебаз:оборудование с обеспечением коммерческого учета нефтепродуктов, оборудование и программное обеспечение для автоматизации процессов налива, слива и отпуска нефтепродуктов на нефтебазах, АЗС и АГЗС;

-запорная арматура для емкостей и нефтепроводов: краны шаровые и сифонные, задвижки стальные и чугунные, фланцы и отводы;
-насосы, системы для перекачки и объемного дозирования жидкостей: установки насосные дозировочные (УНД), агрегаты электронасосные (НД, МС), насосы (1Д и т.д.);
-комплектующие изделия к аппаратам для очистки газа (пара) и первичной подготовки нефти: сетчатые рукава, каплеуловители, сетчатые отбойники, фильтры для нефти, масляные и битумные фильтры и т.д.;
-специальное технологическое и промышленное оборудование:электропечи, электрошкафы для прокалки и сушки сварочных электродов, сварочные аппараты, комплекты оборудования для полимерной окраски, виброразгрузчики;
-трубопроводная арматура: фланцевые изделия, крепеж, задвижки, краны, отводы, заглушки.
-лабораторное оборудование: пробоотборники (ПГО, ПУ, ПЭ, ПИ), микрошприцы(«Агат», «Hamilton» и т.д.) и др.;
-оборудование для АЭС: гермоклапаны (ИА, МА), затворы (обратные, поворотные дисковые) и т.д.;
-вентиляционное оборудование: вентиляторы общепромышленные (радиальные, осевые, крышные, пылеуловительные, тягодутьевые, канальные), кондиционеры, сплит-системы.
-системы очистки воды: контейнерного, передвижного типа на основе озоновых технологий.
-литье: серый чугун всех марок, высокопрочный чугун (ВЧ-40 – ВЧ-80) – сливные решетки и т.п., легированный чугун, сталь, сплавы на основе алюминия или меди.

Условия доставки

оговариваются

Похожие объявления

ооо оборудование
Пластиковые бочки
Пластиковые бочки  862 RUB
Бурение скважин
Бурение скважин  2,918 RUB
Банка в пластиковой корзине 25 л
Банка в пластиковой корзине 25 л  6,906 RUB
Бидон сварной из нержавеющей стали 30 л
Бидон сварной из нержавеющей стали 30 л  17,875 RUB
Бидон из нержавейки 75 л
Бидон из нержавейки 75 л  22,750 RUB
Пластиковые емкости
Пластиковые емкости  5,078 RUB
Ваше контактное лицо
Рудольф Сиукаев
Все товары продавца
ООО "ГазСтройИнжиниринг"
Здесь Вы можете купить Оборудование для предприятий обслуживающих АЗС, нефтебазы, терми в г. Москва. Объявление продажи размещено в категории Емкости для хранения воды и топлива где Вы сможете найти похожие объявления. Показать похожие объявления по запросу купить Емкости для хранения воды и топлива бу в Москва


Контактная информация Форма контакта
Copyright © 2007-2016 Mercatos.net - деловой портал России.
X

Фотографии