Главная  |  Контакт  |  faq_header Помощь  |  News  | 

reg_plus Подать объявление    Автоматическое размещение объявлений
currencyВалюта
reg_bullРегистрация reg_bullВойти
trans
trans Объявления trans
Товары в магазинах Поиск автомобилей Поиск недвижимости Клуб деловых людей Тендеры Производители, Опт
trans

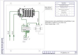
Проектирование г. Кириши

 10,484 RUB

Описание продукта

Проектирую;
-АСУ;
-диспетчеризации;
-АСКУЭ;
-электроснабжения до 35кВ;
-ПОС,ППР.

Похожие объявления

1с комплексная автоматизация
Больше клиентов с Gibrid24
Больше клиентов с Gibrid24  0 RUB
мука пшеничная оптом от производителя
мука пшеничная оптом от производителя  13 RUB
чертежи приспособлений для вытяжения витков шнеков
чертежи приспособлений для вытяжения витков шнеков  1,083 RUB
техническая документация на оборудование
техническая документация на оборудование  2,096 RUB
Чертёжные работы
Чертёжные работы  420 RUB
Ваше контактное лицо
Angel Qui***
Все товары продавца
Здесь Вы можете купить Проектирование в г. Кириши. Объявление продажи размещено в категории Автоматизация где Вы сможете найти похожие объявления. Показать похожие объявления по запросу купить Автоматизация бу в Кириши


Контактная информация Форма контакта
Copyright © 2007-2016 Mercatos.net - деловой портал России.
X

Фотографии